Hive Wiring Diagram Baxi Combi - Combi Boiler Wiring Diagram Baldor Motor Heater Wiring Diagram Begeboy Wiring Diagram Source : We've created a guide for installing your hive active heating which you can download here.

Hive Wiring Diagram Baxi Combi - Combi Boiler Wiring Diagram Baldor Motor Heater Wiring Diagram Begeboy Wiring Diagram Source : We've created a guide for installing your hive active heating which you can download here.. Doent baxi system 818 824 installation and servicing solo pf 2 60 wiring diagram earlier appliance heating spare parts boiler manual 105e ecoblue advance combi 24 duo tec 28 33 40 erp service nest thermostat diynot forums megaflo compact overheating zk 6558 a to free 18 need advice combination with zones 230v switching external programmers for boilers i… read more » Hello i have a main combi eco 25 (without timer) i would like some advice to connect it to my hive single channel receiver. The wiring must comply to the current edition of bs7671 (the iet wiring regulations), and the appropriate building regulations or standards in place. I'm having a nightmare trying to get the hive unit i've got hold of working with the baxi duotec 33 combi boiler i have at work. We've created a guide for installing your hive active heating which you can download here.

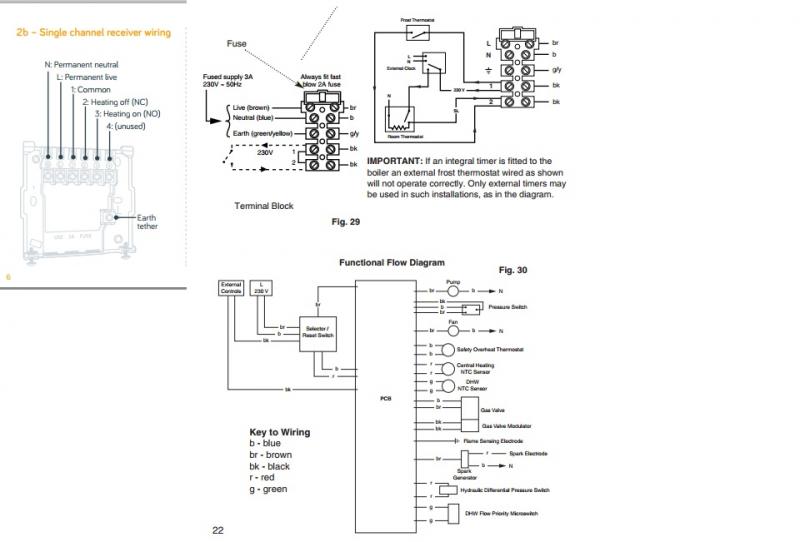
Also covers volt free contacts and why mains voltage must not be connected. The thermostat will be mostly in my lounge with the receiver unit next to the boiler were the wires are but i'm a bit confused to the wiring given my existing battery powered clock/thermostat (which is in the upstairs hall) only has 2 wires going to it and from the wiring diagram, the hive is wanting 4 or perhaps 5 wires. Studied both manuals (hive and baxi) and wired it in however something isn't right. Hi all i have purchased a hive thermostat/hub and am looking for a little advise. This is the wiring diagram for the hive receiver that will go next to the for info the blue (common) and brown (heating on) wires have ~ find support for hive active heating, hive active lights, the hive motion sensor and window or door sensor, and the hive active plug.hive active heating 2 wiring diagram efcaviation from hive wiring diagram y.

Ym 6992 Wiring A Thermostat To A Baxi Boiler Wiring Diagram
Ym 6992 Wiring A Thermostat To A Baxi Boiler Wiring Diagram from static-assets.imageservice.cloud
In this design, the terminals 2 and 4 are connected together when the programmer is on. But you might be thinking how to wire a hive receiver to a combi boiler. • the hive receiver is double insulated so doesn't need an earth connection. This ensures the complete system can be isolated using the 3 amp fused spur. Combination boilers and connecting thermostats to them, including hive and nest. Wiring hive smart thermostat to combi installation with biasi y plan central heating system question honeywell vaillant ecotec plus 824 on worcester bosch ed in place of cur multizone s diynot wiring hive smart thermostat to combi boiler diynot forums wiring hive smart thermostat to combi boiler diynot forums hive installation with biasi combi boiler fix… read more » Heating control systems incompatible with hive active heating Any guidance in wiring it would be brilliant.

You just need to plug into the broadband router, pair the product with the hive and can easily operate them.

But you might be thinking how to wire a hive receiver to a combi boiler. The hive i have got has both the heating and water control buttons (so i believe it's the 2 channel one), but i believe. Jrevans , 6 jan 2017 #1 This is the wiring diagram for the hive receiver that will go next to the for info the blue (common) and brown (heating on) wires have ~ find support for hive active heating, hive active lights, the hive motion sensor and window or door sensor, and the hive active plug.hive active heating 2 wiring diagram efcaviation from hive wiring diagram y. The wiring diagram above for the ecotec 824 is the same for my combi boiler. It connects the hive products so that you can control it remotely with the hive app. You'll find a tether on the for conventional backplate to secure an earth wire if needed. • the hive receiver is double insulated so doesn't need an earth connection. I'm wiring a hive single channel reciever into a baxi duotec 2 combi boiler that was originally runnning a baxi programmable controller. N l 1 common 2 heating off 3 heating on 4 (unused). We haven't tested on these systems, so can't guarantee compatibility. A quick google suggests it does. This is turn is connected to a danfross rf thermostat which i'm not too sure what to do with i guess it becomes redundant when the hive.

Studied both manuals (hive and baxi) and wired it in however something isn't right. 2 cables, one blue brown and earth the other blue brown earth and the 2 switching cables grey and black. I'm after a few pointers wiring up a nest thermostat receiver to my old worcester 24i combi boiler, please can somebody advise if my dodgy diagram looks correct, thanks. If this is correct then you can use the dual channel. In short, power the receiver off that and connect terminal 4 of the hive to the line that currently goes to the boiler.

Hive Receiver Installation Diynot Forums
Hive Receiver Installation Diynot Forums from www.diynot.com
In your diagram do the 2 terminals on the external timer (hive) correspond to pin 1 to live and pin 3 to pin 4 on boiler? Post by boothy01 » fri dec 16, 2016 2:40 pm. I am ok with permanent live & neutral but just need advise on the other 2 wires. Competent in the installation of electrical accessories. Bs7671 (the iet wiring regulations), and the appropriate building regulations or standards in place. I take no responsibility for anything th. You need to check the wiring diagrams for the boiler / thermostat. If you press the hot water on button pin 3 on the back plate becomes live, you have this connected to the brown in the boiler which is most likely a 230v permanent supply, this will make no.

If this is correct then you can use the dual channel.

I'm wiring a hive single channel reciever into a baxi duotec 2 combi boiler that was originally runnning a baxi programmable controller. My hive receiver is single channel and has these conections. In short, power the receiver off that and connect terminal 4 of the hive to the line that currently goes to the boiler. The programmer requires a permanent mains supply which should be taken from the boiler terminals. Hello i have a main combi eco 25 (without timer) i would like some advice to connect it to my hive single channel receiver. Bs7671 (the iet wiring regulations), and the appropriate building regulations or standards in place. Hi, i've just replaced by owl wireless system with hive active and all seemed to go ok, however the relay unit is not switching on the boiler. I have included i photo of the boilers wiring diagram. We haven't tested on these systems, so can't guarantee compatibility. Take a look and choose baxi today. Attached is the wiring diagram for the receiver. The wiring was the same so i've not had to touch the backplate. I'm after a few pointers wiring up a nest thermostat receiver to my old worcester 24i combi boiler, please can somebody advise if my dodgy diagram looks correct, thanks.

Also covers volt free contacts and why mains voltage must not be connected. N l 1 common 2 heating off 3 heating on 4 (unused). Hi, i've just replaced by owl wireless system with hive active and all seemed to go ok, however the relay unit is not switching on the boiler. Any guidance in wiring it would be brilliant. If you press the hot water on button pin 3 on the back plate becomes live, you have this connected to the brown in the boiler which is most likely a 230v permanent supply, this will make no.

Https Encrypted Tbn0 Gstatic Com Images Q Tbn And9gcrd5lzyk Gmvvje2zili15gic0o0wst64cdfq Usqp Cau
Https Encrypted Tbn0 Gstatic Com Images Q Tbn And9gcrd5lzyk Gmvvje2zili15gic0o0wst64cdfq Usqp Cau from www.flameport.com
Baxi plug in receiver 7 day rf digital programmable room. • the hive receiver is double insulated so doesn't need an earth connection. Combination boilers and connecting thermostats to them, including hive and nest. You'll find a tether on the backplate to secure an earth wire if needed. Doent baxi system 818 824 installation and servicing solo pf 2 60 wiring diagram earlier appliance heating spare parts boiler manual 105e ecoblue advance combi 24 duo tec 28 33 40 erp service nest thermostat diynot forums megaflo compact overheating zk 6558 a to free 18 need advice combination with zones 230v switching external programmers for boilers i… read more » As you can see it only has 5 wires, earth, live, neutral, t1 & t2. Dual channel the hive receiver is double insulated so doesn't receiver need an earth connection. Studied both manuals (hive and baxi) and wired it in however something isn't right.

The green/yellow wire in b has been wrapped with red tape.

Hi, i've just replaced by owl wireless system with hive active and all seemed to go ok, however the relay unit is not switching on the boiler. • the hive receiver is double insulated so doesn't need an earth connection. The wiring must comply to the current edition of bs7671 (the iet wiring regulations), and the appropriate building regulations or standards in place. This is a video of showing how i installed my hive active heating heating control from your mobile tablet or laptop. You just need to plug into the broadband router, pair the product with the hive and can easily operate them. Hello i have a main combi eco 25 (without timer) i would like some advice to connect it to my hive single channel receiver. We've created a guide for installing your hive active heating which you can download here. The wiring was the same so i've not had to touch the backplate. This is the wiring diagram for the hive receiver that will go next to the for info the blue (common) and brown (heating on) wires have ~ find support for hive active heating, hive active lights, the hive motion sensor and window or door sensor, and the hive active plug.hive active heating 2 wiring diagram efcaviation from hive wiring diagram y. Bs7671 (iee wiring regulations), part 'p' of the building regulations and any relevant technical operational procedures. Boiler diagrams, spare parts and user manuals for baxi 630 combi (wiring diagram) | 24 hour delivery on genuine manufacturer boiler spares | 30 day money back guarantee Is the thermostat mains powered? I'm after a few pointers wiring up a nest thermostat receiver to my old worcester 24i combi boiler, please can somebody advise if my dodgy diagram looks correct, thanks.

Belum ada Komentar untuk "Hive Wiring Diagram Baxi Combi - Combi Boiler Wiring Diagram Baldor Motor Heater Wiring Diagram Begeboy Wiring Diagram Source : We've created a guide for installing your hive active heating which you can download here."

Posting Komentar

Iklan Atas Artikel

Iklan Tengah Artikel 1

Iklan Tengah Artikel 2

Iklan Bawah Artikel